华体会(中国)-华体会(中国) 华体会网页版登录入口 政策法规 产业市场 节能技术 能源信息 宏观环境 会议会展 活动图库 资料下载 焦点专题 智囊团 企业库
节能技术  中国节能产业网 >> 节能技术 >> 余能利用 >> 正文
火电厂烟气综合优化系统余热深度回收技术
来源:中国节能产业网 时间:2010-12-30 14:07:35 用手机浏览

  一、技术名称:火电厂烟气综合优化系统余热深度回收技术

  二、适用范围:燃煤火电机组

  三、与该节能技术相关生产环节的能耗现状:

  火力发电厂消耗我国煤炭总产量的50%,其排烟热损失是电站锅炉各项热损失中最大的一项,一般在5%~8%,占锅炉总热损失的80%或更高。排烟热损失的主要影响因素是锅炉排烟温度,一般情况下,排烟温度每升高10℃,排烟热损失增加0.6%~1.0%,发电煤耗增加2g/kWh左右。我国现役火电机组中,锅炉排烟温度普遍维持在125~150℃左右水平,褐煤锅炉为170℃为左右,排烟温度高是一个普遍现象,由此造成巨大的能量损失。

  对于已经投运的锅炉,经过燃烧优化来降低排烟温度的幅度非常有限,省煤器和空气预热器的改造因受到空间的限制,降低排烟温度的幅度也很小,同时尾部受热面的低温腐蚀也限制了排烟温度的大幅降低。因此,独立于原有锅炉系统之外的排烟余热回收系统成为节能降耗的首选。

  四、技术内容:

  1.技术原理

  电站锅炉排烟余热深度回收利用系统安装在除尘器之后、脱硫塔之前的烟道中,可以最大程度地降低烟气温度,使烟气温度再降低40~50℃。在一些采用湿烟囱或烟塔合一等最新烟气排放技术的电厂,脱硫塔入口烟温可降低到85℃左右,使烟温达到最佳脱硫效率状态,大大减少脱硫塔的冷却水耗。

  排烟余热回收系统所吸收的能量可以用来加热凝结水,或通过暖风器加热空气提高送风温度,从而减少低压加热器或者暖风器的抽汽量,增加汽轮机做功,提高机组效率。

  2.关键技术

  1)排烟余热回收装置即烟气冷却器的设计;
  2)排烟余热回收装置即烟气冷却器的防腐;
  3)排烟余热利用系统即低压给水加热器或者暖风器的设计;
  4)热力系统优化设计和控制。

  3.工艺流程

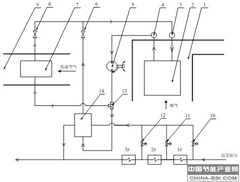
  工艺流程见图1,循环介质(水)在循环水泵5的作用下,通过入口集箱3进入烟气冷却器2,吸收尾部烟道1中的烟气余热后温度升高,经出口集箱4流出。当环境温度较高时(例如在夏季),导向阀13切换到加热给水状态,空气加热器闸阀8全关,给水加热器闸阀6全开。经出口集箱4流出的高温循环介质(水)进入给水加热器14,把在烟气冷却器2中吸收的热量释放给低压给水后开始下一个循环。凝结水经过分水调节阀10、11、12进入给水加热器14,吸收循环介质(水)释放的热量,温度升高后进入除氧器。分水调节阀10、11、12可以改变各级(1#、2#、3#)低压加热器的分水比,根据实际运行情况进行优化调节。当环境温度较低时(例如在冬季),导向阀13切换到加热冷空气状态,空气加热器闸阀8全开,给水加热器闸阀6全关。经出口集箱4流出的高温循环介质(水)进入空气加热器7,把在烟气冷却器2中吸收的热量释放给送风后开始下一个循环,冷空气温度升高后进入空气预热器继续加热。

 

烟气综合优化系统余热深度回收工艺流程图

  1为尾部烟道,2为烟气冷却器,3为进口集箱,4为出口集箱,5为循环水泵,6为给水加热器闸阀,7为空气加热器,8为空气加热器闸阀,9为风道,10~12为低压加热器分水调节阀,13为余热利用导向阀,14为给水加热器。

  五、主要技术指标:

  电站锅炉采用该排烟余热深度回收系统后,发电煤耗可以降低2~3g/kWh。

  六、技术应用情况:

  该技术已获得国家专利,目前已经在华能集团下属的两个火力发电厂应用。

  七、典型用户及投资效益:

  典型用户:华能国际电力股份有限公司井冈山电厂

  1)建设规模:300MW火电机组。主要技改内容:在增压风机之后脱硫塔之前的烟道增加烟气冷却器,把给水从6#低压加热器前通过管道引入烟气冷却器,加热后回到5#低压加热器,使排烟温度从152℃降低到108℃,低压给水从83.8℃加热到103.7℃,主要设备包括烟气冷却器、控制系统、阀门和管道。节能技改投资额640万元,建设期45天。年节能3990tce,年节约费用319.2万元/年,投资回收期2年。

  八、推广前景和节能潜力:

  国内现有的300-1000MW机组大部分采用湿法烟气脱硫系统,要求进入脱硫塔的烟气温度在80℃左右,因此锅炉排烟中的部分余热未被充分利用,通常使用喷水、GGH(气气换热器)降温,造成了热量的损失。排烟余热深度回收利用技术可以把这部分热量回收用于加热给水、送风。改造后发电煤耗平均降低约2g/kWh。截止到2009年12月,我国火电装机容量为6.52亿kW。据此推测,如果有50%的火电厂进行排烟余热深度回收利用改造,年运行时数平均按照5000小时计算,每年节能320万tce,节能潜力巨大。


  深入专题了解:国家重点推广节能技术目录


分享到:
相关文章 iTAG:
火电厂凝汽器真空保持节能系统技术
火电厂烟气综合优化系统余热深度回收技术
提高火电厂汽轮机组性能综合技术
乌鲁木齐试水烟气余热回收实现高效环保供热
河北武安顶峰电厂冷凝余热回收利用节能分析
高炉鼓风除湿降温节能技术原理及节能效果
油田采油污水余热综合利用技术原理及应用
铅冶炼行业铅闪速熔炼节能技术原理及效益
频道推荐
服务中心
微信公众号

CESI
关于本站
版权声明
广告投放
网站帮助
联系我们
网站服务
会员服务
最新项目
资金服务
园区招商
展会合作
中国节能产业网是以互联网+节能为核心构建的线上线下相结合的一站式节能服务平台。
©2007-2016 CHINA-ESI.COM
鄂ICP备16002099号
节能QQ群:39847109
顶部客服微信二维码底部
扫描二维码关注官方公众微信