华体会(中国)-华体会(中国) 华体会网页版登录入口 政策法规 产业市场 节能技术 能源信息 宏观环境 会议会展 活动图库 资料下载 焦点专题 智囊团 企业库
节能技术  中国节能产业网 >> 节能技术 >> 工业节能 >> 正文
电机智能节电器在动力技术改造中的应用
来源:互联网 时间:2007-9-17 14:02:05 用手机浏览

 

1  引言
    我国电力工业目前发电装机容量达到3.16亿kW,年发电量达到了13500亿
kWh。我国的电力消耗仅次于美国位居世界第二位,但我国人均用电只有1038kWh,还不到发达国家用电水平的10%。
    去年夏天,我国持续高温酷热,导致部分城市由于电力供应紧张拉闸限电。用电紧张从往年的季节性转变为全年性,出现电力、电量双缺口,机组长期高负荷运转,故障增多。我国正处于向大规模工业化和城市化过渡的快速发展阶段,能源消费增长巨大。目前我国电力能源利用效率较低、消耗高、浪费大。在过去的20年里,我国已在能源利用上取得“GDP翻两番而能源消费仅翻一番”的令人瞩目的成绩,但我国能源消耗,尤其工业用电设备浪费电能严重。据有关专家介绍:2002年我国能源消费强度为1.18吨标准煤/千美元GDP,远远高于发达国家;创造每万美元GDP所消耗的能源数量,我国是美国的3倍、德国的5倍、日本的近6倍;能源系统效率为33.4%,低于国际先进水平10个百分点左右。面对用电效率不高,电力供应形势不容乐观的现实,如何科学节约用电的话题今天又引起各行各业的高度关注。
    为了提高电动机的运行效率,保护电机的安全运行,经过市场的多方考查,阳煤集团决定在二矿选煤厂的主要设备----煤泥离心机采用北京中矿节能技术有限公司研发生产的电动机专用节电器,检测实际效果,为大规模的技术改造提供技术依据,为进一步提高设备的自动化程度,保证设备安全运行,降低企业的运行成本,增加企业市场竞争力,为阳煤集团的可持续发展打下坚实的基础。

2   电机节电器节电原理
    电动机是工矿企业生产中使用量及耗电量最多的一种电气设备。在电机拖动系统中,往往以最高负载量加上裕量来设计参数及选型,而在实际的运行中,大部分的电动机不是满载运行,而是工作于满电压、满速度而负载荷较小的状态;对于负载波动频繁的电机,在满载运行的同时,也会有很大比例的空载运行时间。
    负载的变化会随着实际需求变化,因此,大多数情况存在大功率电机拖动小负载的情况(即常说的“大马拉小车”)。由电机设计和运行特性可以知道,电动机在满载运行时效率最高,功率因数COSΦ最佳;轻载运行效率降低、COSΦ也降低,空载时COSΦ甚至降到0.3以下,所以在轻载运行时电机的电能浪费较大。
    这是因为当电机从满载变化到轻载、空载时,定子电流有功分量减小,而励磁的无功电流基本不变(所以COSΦ降低);由于励磁无功电流基本不变,则空载损耗中占主要成份的定子铁损耗,一点没有减少,所以效率很低。
    下图表示典型的电机损耗与负荷的关系。

    如果适当降低定子电压,见电机定子感应电势公式:
     U1≈E1=4.44F1N1KN1Φm   其中: N1—定子每相绕组串联匝数;F.K.N1是常数。
    由于轻载、空载时定子电流很小,可以忽略定子绕组的漏阻抗压降,所以U1≈E1,当其它条件不变时,降低定子电压U1,则Φm比例下降,也即励磁无功电流IM也成比例下降,这样定子电流中的无功分量减少了,COSΦ就提高了,适当控制可以接近最佳值。
    另外,其它条件不变,定子铁耗:PFel= PFeIN ×(U1/ UIN)2
    其中:PFel—定子铁耗;PFeIN —定子额定铁耗;UIN —定子额定端电压。
可以看出,随着U1下降,PFel以平方比例迅速下降,这样轻载、空载时占主要损耗的铁耗大量减少,使电机的运行效率大大提高,这就是电机节电器轻载降压节电的道理。

3  电机节电器的性能特点

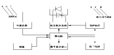
    中矿电机节电器通过内置的工业计算机实时检测电动机的负荷情况,分析负载大小和变化趋势,计算出供给电动机最佳电压、电流,通过快速控制可控硅的导通角的大小,控制电机的供电电压,使电机的输出功率与负荷转矩精确匹配。使电机可在空载和大多数负荷情况下保持较高恒定的电机效率。
其控制原理图如下:


    同时,电机节电器还具备完善的软启动和软停车功能,可保证电机连续平滑地启动,消除了常规启动方式伴随电机启动所产生的机械冲击和大启动电流,有效降低轴承和皮带的磨损及链条、齿轮的机械应力,从而延长电机的使用寿命,降低维护成本,尽可能地降低用电费用。
    电机节电器通过电流和电压监测实现对电动机的全面保护,包括过载,限流,短路,缺相,欠压/过压,等多项保护,还能实现故障时自动旁路运行,保证设备正常运行。
    电机节电器安装方便,直接串接在原电机主回路中,不改变原来和操作方法,而且方便实现就地控制,远程控制,集中控制等多种方式。
    电机节电器的适用于异步感应电机的节电控制,可广泛应用于各种动力设备和加工机械上负荷频繁变化或转速恒定,但不满负荷运行电机,尤其是低负荷率,低功率因数节电效果更为显着。

4   选煤厂煤泥离心机电机节能方案及效果
    阳煤集团二矿选煤厂有两台煤泥离心机(设备编号:417,418),设备功率相同,负载相同,同时开停,在其中一台安装电机节电器,另一台不用电机节电器,这样就可以作出科学的对比结果,选择在417上安装了电机节电器,418按原来控制方法运行,两台设备同时都加装了电度表进行测试。同时在电机节电器投入运行前后,对417煤泥离心机的运行数据进行测量对比,了解节电器的运行效果。

    经对比测试,综合节电率为32.7%,节电效果显著,供电电流由35A下降到15.5A,下降幅度达到56%电机的功率因数由0.39提高到0.81,节电器保护齐全,运行稳定,安全可靠。

    为了更科学的测试节电效果,对两台设备都加装了电能表,经过一个月的计量测试,417煤泥离心机用电8022度,418煤泥离心机用电16778度,在两设备同时开停,运行时间相同,设备功率相同的情况下,417比418节电52.2%
阳煤二矿主要设备电机有16台,共1112KW,按电价0.27,运行时间20小时/天计算,年总用电费219万元,按节电率30%计算,年节电65.7万元,设备投资67万元,一年就收回设备投资,经济效益十分显著。按节电器十年的使用寿命计算,共节电657万元,收益率为980%,

5  结束语
    据统计,2002年我国消耗电力16200亿kWh,其中有60%~70 %的电能(约1万亿kWh)被各种类型电动机所消耗。到2002年底,我国的各类电动机的总容量是5亿kW,一亿台左右,85%是异步电机,其中只有不到2000万kW的电动机是带节能控制的,节能潜力广阔。我国的电机节能市场目前正处于一个高速增长的时期。过去几年保持着12%~15%的增长率,而且至少在未来的5年内保持着10%以上的增长率。


分享到:
相关文章 iTAG:
两部委公布节能减排共性技术及先进适用技术
工业冷却塔用混流式高效水轮机节能技术
电力行业火电厂汽轮机组运行优化节能技术
新型高效煤粉锅炉系统技术替代燃煤工业锅炉
城市生活垃圾焚烧发电技术分析及经济效益
企业工业设备节能方法建议60计
现代生产企业工厂的节电技术探讨
低压电动机节电器在技术改造中的应用
频道推荐
服务中心
微信公众号

CESI
关于本站
版权声明
广告投放
网站帮助
联系我们
网站服务
会员服务
最新项目
资金服务
园区招商
展会合作
中国节能产业网是以互联网+节能为核心构建的线上线下相结合的一站式节能服务平台。
©2007-2016 CHINA-ESI.COM
鄂ICP备16002099号
节能QQ群:39847109
顶部客服微信二维码底部
扫描二维码关注官方公众微信